| Iп/Iн, А6,1 | Мощность, кВт0,37 | Оборотов/мин3000 |
| Диаметр вала, мм14 | КреплениеКомби (IM 2081) | КПД, %70 |
| Ток статора, A1 | Коэффициент мощности, Соs ф0,8 | Масса, кг7 |
Электродвигатель АИС 71 А2 3000 об/мин 0,37 кВт IM2081 (B35) комби (лапы+фланец) DIN
Электродвигатель АИС 71 А2 3000 об/мин 0,37 кВт IM2081 (B35) комби (лапы+фланец) DIN — трехфазный двигатель DIN EN 50347, который можно использовать как основной или заменяемый привод на предприятии. Данная модель подходит для модернизации оборудования, где требуется точная геометрия, стабильный момент и высокий ресурс.
Технические характеристики и преимущества
- Серия: АИС 71 А2
- Мощность: 0,37 кВт
- Скорость вращения: 3000 об/мин
- Исполнение: IM2081 (B35) — комби (лапы+фланец)
- Питание: трехфазный двигатель, 220/380В
- Материал корпуса: Алюминий
- Степень защиты: IP54 / IP55
Если нужен надежный привод для длительной эксплуатации, АИС 71 А2 станет практичным решением. Частота вращения 3000 об/мин подходит для высокооборотистых приводов, вентиляторов, насосов и станков, где важна скорость. Корпус из алюминия и промышленное исполнение делают модель подходящей для тяжелых условий работы.
Модель АИС 71 А2 — это асинхронный двигатель, трехфазный двигатель и промышленный электродвигатель; по стандарту исполнения это двигатель DIN.
Если вам нужен мотор АИС 71 А2 или электромотор 0.37 кВт 3000 об, специалисты Sila380 помогут выбрать нужное исполнение и выполнить подбор аналога. Смотрите также электродвигатели АИС и Электродвигатели 380В.
Где купить АИС 71 А2 и как уточнить цену
Где купить АИС 71 А2 и как уточнить цену? Купить АИС 71 А2 можно в Sila380: товар в наличии, доступна быстрая доставка, действует гарантия, отгрузка — Напрямую со склада. Выполняем подбор аналога. Уточняйте актуальную стоимость у менеджеров: +7(499) 455-85-28, info-sila380@yandex.ru.
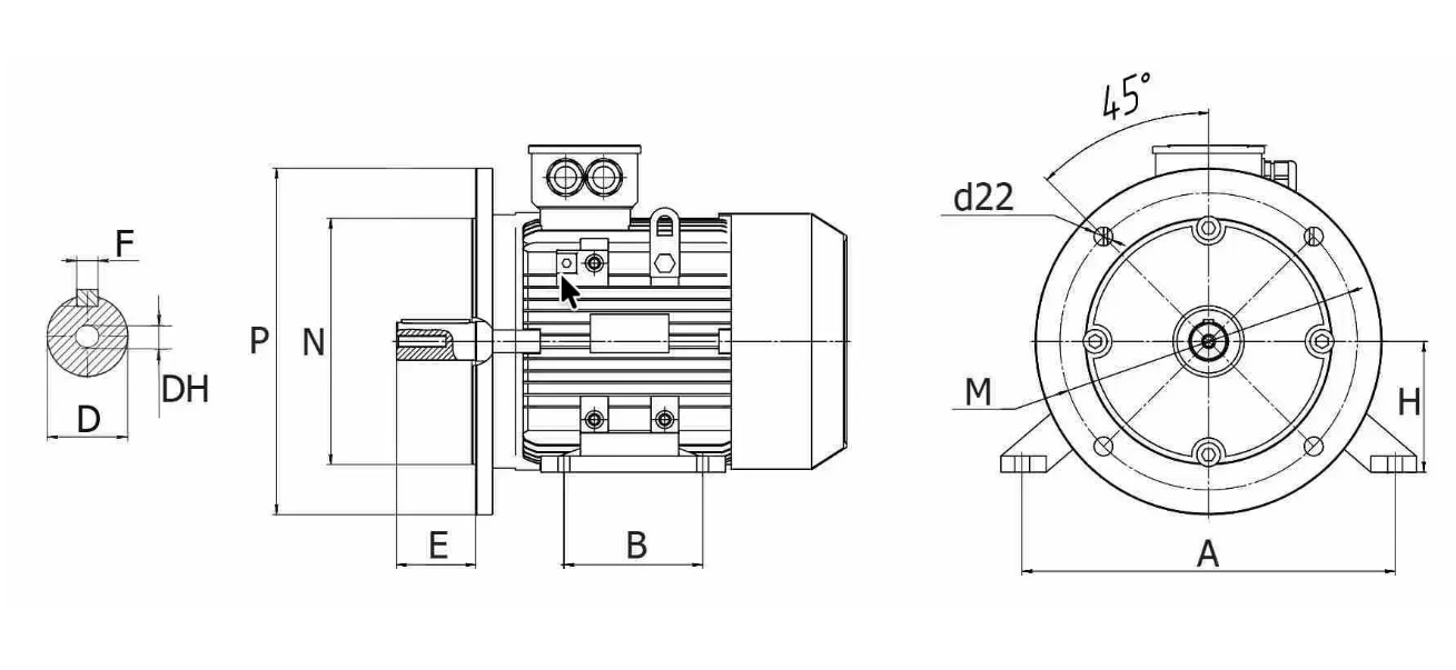
Габаритно-присоединительные размеры АИС 71 А2
Ниже представлены габаритно-присоединительные и установочные размеры двигателя АИС 71 А2 в исполнении IM2081 (B35) по DIN EN 50347. Для подбора аналога, уточнения цены, наличия и сроков поставки звоните +7(499) 455-85-28 или пишите на info-sila380@yandex.ru.

| Модель | L (l30) | HD (h31) | M (d24) | A (b10) | B (l10) | C (l31) | D (d1) | E (l1) | F (b1) | G (h5) | H (h) | K (d10) | M (d20) | N (d25) | S (d22) | DH (d11) |
|---|---|---|---|---|---|---|---|---|---|---|---|---|---|---|---|---|
| АИС 71 А2 | 247 | 195 | 160 | 112 | 90 | 45 | 14 | 30 | 5 | 11 | 71 | 7 | 130 | 110 | 10 | M5 |
* Размеры указаны по таблице для исполнения IM2081 (B35). Уточняйте актуальную стоимость у менеджеров.
| Iп/Iн, А | 6,1 |
|---|---|
| Мощность, кВт | 0,37 |
| Оборотов/мин | 3000 |
| Диаметр вала, мм | 14 |
| Крепление | Комби (IM 2081) |
| КПД, % | 70 |
| Ток статора, A | 1 |
| Коэффициент мощности, Соs ф | 0,8 |
| Масса, кг | 7 |
|---|---|
| Материал корпуса | Алюминий |
| Напряжение | 220в;380в |
| Кол-во фаз | 3 |
| Тип питания электромотора | трёхфазный |
| Тип ротора | короткозамкнутый |
| Тип электромотора | асинхронный |
| Марка электромотора | АИС |
| Серия электродвигателя | АИС 71 А2 |
| Назначение | Общепромышленные |
| Стандарт по габаритам и мощности | DIN EN 50347 |
| Степень защиты | IP54;IP55 |
|---|---|
| Климатическое исполнение | У1; У2; У3;УХЛ |
-
Еще не было вопросов