| Iп/Iн, А5,2 | Мощность, кВт0,09 | Оборотов/мин3000 |
| Диаметр вала, мм9 | КреплениеЛапы (IM 1081) | КПД, %62 |
| Ток статора, A0,3 | Коэффициент мощности, Соs ф0,77 | Масса, кг4 |
Электродвигатель АИС 56 А2 3000 об/мин 0,09 кВт IM1081 (B3) лапы DIN
Электродвигатель АИС 56 А2 3000 об/мин 0,09 кВт IM1081 (B3) лапы DIN — надежный асинхронный двигатель для промышленного оборудования. Это трехфазный двигатель серии АИС 56 А2, выполненный по стандарту DIN EN 50347. Такой промышленный электродвигатель стабильно работает в составе насосов, вентиляторов, редукторов, конвейеров и станков.
Технические характеристики и преимущества
- Серия: АИС 56 А2
- Мощность: 0,09 кВт
- Скорость вращения: 3000 об/мин
- Исполнение: IM1081 (B3) — лапы
- Питание: трехфазный двигатель, 220/380В
- Материал корпуса: Алюминий
- Степень защиты: IP54 / IP55
Модель АИС 56 А2 мощностью 0,09 кВт и скоростью 3000 об/мин выполнена в исполнении IM1081 (B3) — лапы. Частота вращения 3000 об/мин подходит для высокооборотистых приводов, вентиляторов, насосов и станков, где важна скорость. Исполнение на лапах удобно для стандартного монтажа на станину, раму или плиту.
Модель АИС 56 А2 — это асинхронный двигатель, трехфазный двигатель и промышленный электродвигатель; по стандарту исполнения это двигатель DIN.
Если вам нужен мотор АИС 56 А2 или электромотор 0.09 кВт 3000 об, специалисты Sila380 помогут выбрать нужное исполнение и выполнить подбор аналога. Смотрите также электродвигатели АИС и Электродвигатели 380В.
Где купить АИС 56 А2 и как уточнить цену
Где купить АИС 56 А2 и как уточнить цену? Купить АИС 56 А2 можно в Sila380: товар в наличии, доступна быстрая доставка, действует гарантия, отгрузка — Напрямую со склада. Выполняем подбор аналога. Уточняйте актуальную стоимость у менеджеров: +7(499) 455-85-28, info-sila380@yandex.ru.
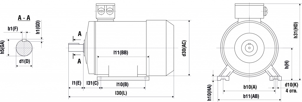
Габаритно-присоединительные размеры АИС 56 А2
Ниже представлены габаритно-присоединительные размеры двигателя АИС 56 А2 в исполнении IM1081 (B3). Для уточнения подбора аналога, актуальной цены и сроков поставки звоните +7(499) 455-85-28 или пишите на info-sila380@yandex.ru.

| Тип | Полюсов | L | HD | AC | A | AB | AA | HA | B | BB | C | D | E | F | H | K | G | DH |
|---|---|---|---|---|---|---|---|---|---|---|---|---|---|---|---|---|---|---|
| АИС56 | 2, 4 | 199 | 156 | 110 | 90 | 115 | 23 | 7 | 71 | 88 | 36 | 9 | 20 | 3 | 56 | 5,8 | 7,2 | M4x12 |
* Размеры указаны по таблице для серии АИС DIN. По нестандартным исполнениям и при необходимости точного чертежа уточняйте актуальную стоимость у менеджеров.
| Iп/Iн, А | 5,2 |
|---|---|
| Мощность, кВт | 0,09 |
| Оборотов/мин | 3000 |
| Диаметр вала, мм | 9 |
| Крепление | Лапы (IM 1081) |
| КПД, % | 62 |
| Ток статора, A | 0,3 |
| Коэффициент мощности, Соs ф | 0,77 |
| Масса, кг | 4 |
|---|---|
| Материал корпуса | Алюминий |
| Напряжение | 220в;380в |
| Кол-во фаз | 3 |
| Тип питания электромотора | трёхфазный |
| Тип ротора | короткозамкнутый |
| Тип электромотора | асинхронный |
| Марка электромотора | АИС |
| Серия электродвигателя | АИС 56 А2 |
| Назначение | Общепромышленные |
| Стандарт по габаритам и мощности | DIN EN 50347 |
| Степень защиты | IP54;IP55 |
|---|---|
| Климатическое исполнение | У1; У2; У3;УХЛ |
-
Еще не было вопросов